Desk Bell

Back to Portfolio

Problem

Develop foundational proficiency in core manufacturing processes including milling, turning, casting, forming, and welding, to create a pre-designed desk bell. In the process, the intent was to solidify skills in interpreting engineering drawings, apply tolerances, and follow an order of assembly to produce finished parts.

Outcome

Completed a series of guided fabrication tasks that demonstrated the full workflow from raw material to finished component, gaining hands-on experience with multiple manufacturing methods and developing an understanding of how process selection, tolerances, and finishing impact final part quality.

Design

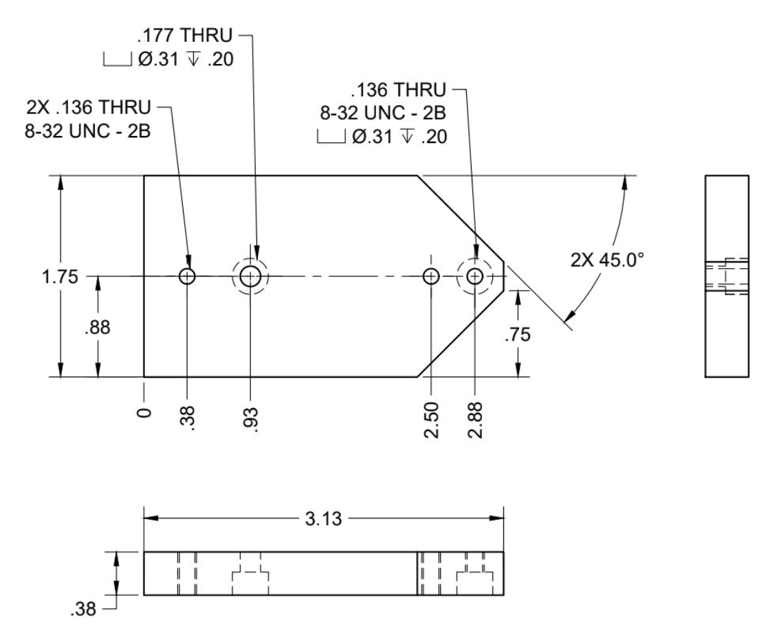
The goal of the design was to incorporate a range of machining processes in order to build a strong foundation for later manufacturing. This included a sand cast desk bell with a custom Stanford engraving, screws and washers for fastening, a post which could be turned on the lathe, a milled aluminum base, and a stand formed through sheet metal bending.  

Build

Materials were provided by the course, and the build process involved applying a range of core manufacturing methods, including milling, turning, casting, forming, and welding. As my first hands-on machining experience, it reinforced the importance of proper setup, tool control, and shop safety. Lessons were learned quickly and carried forward into future work.

Reflections

As my first machining project, this experience gave me a clear perspective on how much preparation is required for successful fabrication. Working from engineering drawings and defined processes highlighted the importance of planning everything from joining methods to finishing steps ahead of time. It was also my first exposure to machining, and it reinforced how careful planning directly impacts both the efficiency of the process and the quality of the final part.